| R134a | R513a refrigerant | ||
|---|---|---|
| Compressor | Oil | Mounting |
| UX200 | PAG56 (180 ml) | Direct mount |
| R404a | R452a refrigerant | ||
|---|---|---|
| Compressor | Oil | Mounting |
| UXF200 | POE32 (180 ml) | Direct mount |
| R1234yf refrigerant | ||
|---|---|---|
| Compressor | Oil | Mounting |
| UXY200 | PAG46 HD (180ml) | Direct mount |
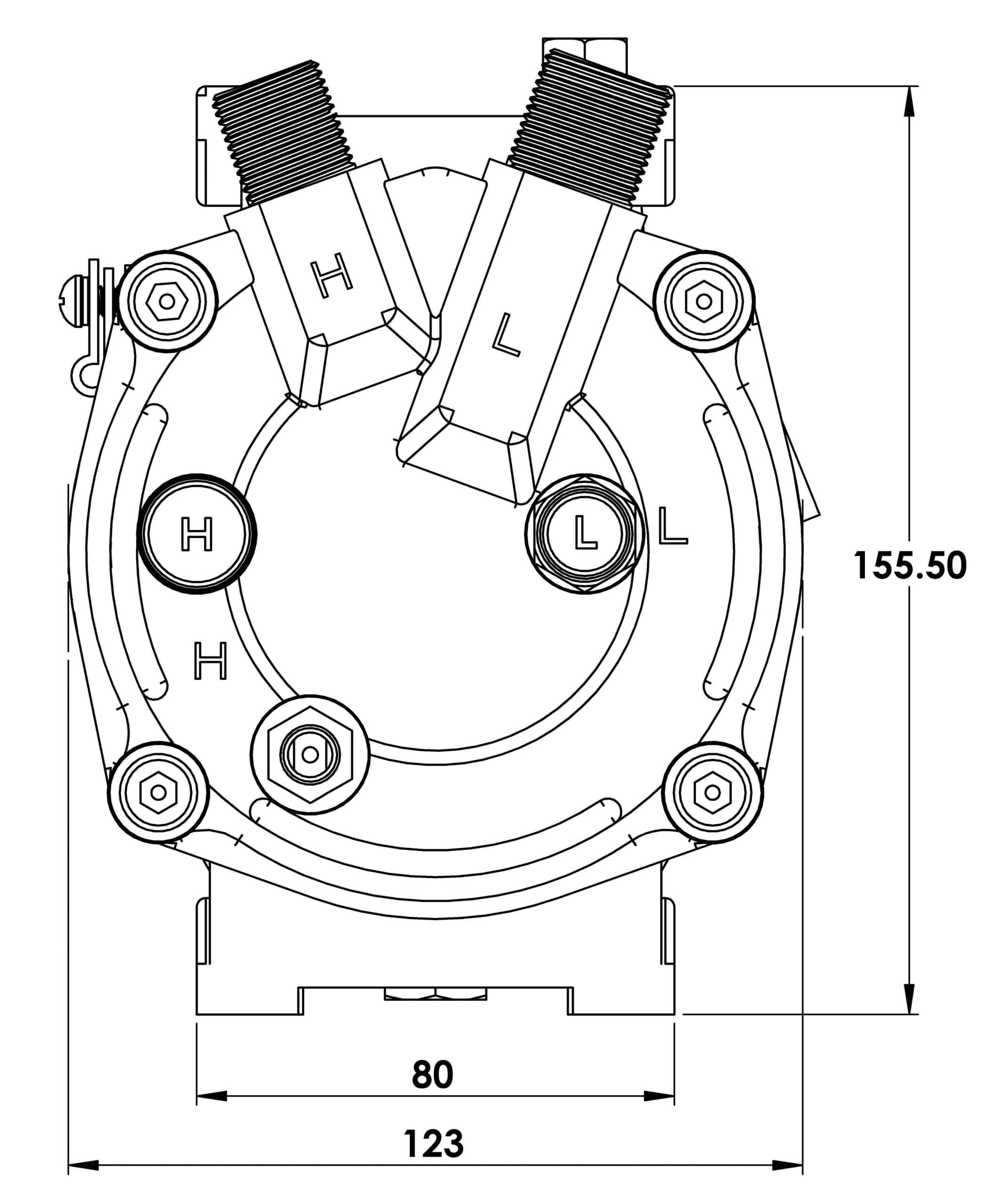
The UX and UXF models are direct mount (bolt-through) and have side mounting points 94 mm apart.
Low- and high-side service valves are fitted to the rear cap, including a high-pressure relief valve.
An oil return fitting – 7/16-20 UNF male flare (Part No. 42203-000160) – is fitted on top of the compressor. It has a unique flow design suited to the Unicla oil separator (Part No. OS000010) and is interchangeable with the low-side service valve.
Consistent M12 x 1.0 mm access port size. Easy interchange of blanking plugs, service valves, oil return and pressure switch fittings.
| Type | 125 | 135 | 145 | 152 | 12V | 24V |
|---|---|---|---|---|---|---|
| AA-Groove | ||||||
| B-Groove | ||||||
| BB-Groove | ||||||
| 6-Groove | ||||||
| 8-Groove | ||||||
| 10-Groove |
Pulley measurements are in millimetres