| R134a | R513a refrigerant | ||
|---|---|---|
| Compressor | Oil | Mounting |
| UM330 | PAG56 or POE68 (600 ml) | TM/QP31 compatible |
| R404a | R452a refrigerant | ||
|---|---|---|
| Compressor | Oil | Mounting |
| UMF330 | POE32 (600 ml) | TM/QP31 compatible |
| R1234yf refrigerant | ||
|---|---|---|
| Compressor | Oil | Mounting |
| UMY330 | PAG46 HD (180ml) | TM/QP31 compatible |
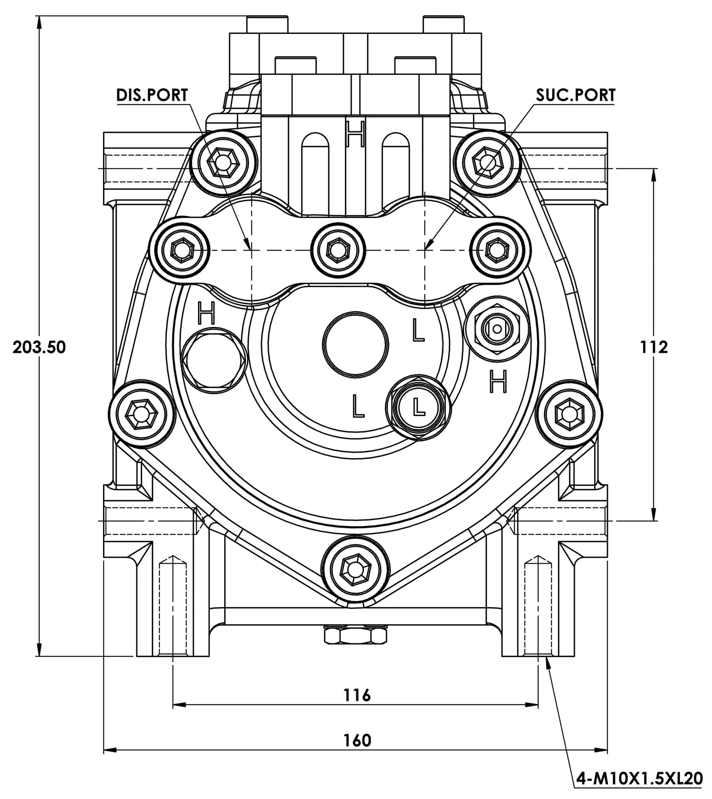
The Multi Direct Mounting system on UM models provides a total of 12 mounting points (four on the left, right and bottom sides) enabling direct compatibility with TM31 and QP31 compressors. Each mounting point has an M10 x 1.5 mm threaded hole, providing excellent flexibility in engine mounting and bracket design.
A low-side service valve is fitted to the rear cap, including a high-pressure relief valve.
An oil return fitting – 7/16-20 UNF male flare (Part No. 42203-000160) – is fitted on top of the compressor. It has a unique flow design suited to the Unicla oil separator (Part No. OS000030) and is interchangeable with the low-side service valve.
Consistent M12 x 1.0 mm access port size. Easy interchange of blanking plugs, service valves, oil return and pressure switch fittings.
| Type | 158 | 168 | 178 | 210 | 12V | 24V | HDC |
|---|---|---|---|---|---|---|---|
| AA-Groove | |||||||
| B-Groove | |||||||
| BB-Groove | |||||||
| 6-Groove | |||||||
| 8-Groove | |||||||
| 10-Groove |
Pulley measurements are in millimetres